MIS118TA Two-Axis Tri-Light Pod
China Moneypro
The MIS118TA Two-Axis Tri-Light Pod is a compact, lightweight targeting system designed for precision strike applications on loitering munitions and UAVs. This advanced pod integrates an uncooled infrared thermal imager, high-resolution visible light camera, laser rangefinder, and servo-stabilized two-axis platform with autonomous image tracking capabilities. It autonomously identifies, locks onto, and tracks targets based on thermal or brightness characteristics, outputting critical data including frame angle, line-of-sight angular rate, target distance, and offset angles to the UAV’s intelligent control unit for precision maneuvering and engagement. Weighing only 650 grams with exceptional stability and accuracy, the system features a 640×512 thermal detector with 50mK NETD, 1920×1080 visible camera, and laser ranging up to 180 meters with 5cm accuracy. The servo platform delivers frame corner accuracy within 0.2 degrees and maximum tracking angular velocity of 10 degrees per second. Operating across -40 to +60 degrees Celsius with rapid 15-second power-on self-test, the MIS118TA provides reliable all-weather target acquisition and tracking for modern tactical systems.
The MIS118TA two-axis, three-light pod consists of an uncooled infrared thermal imager, a visible light camera, a laser rangefinder, a two-axis servo-stabilized platform, and an image tracker. It features lightweight construction, high stability and accuracy, and high integration, and can be applied to missile bodies to perform tasks such as target engagement.
The IS118TA two-axis, three-light pod can identify and track targets based on their brightness or thermal characteristics, and output information such as frame angle, line-of-sight angular rate, misalignment angle, and target distance to the UAV s intelligent control unit. The intelligent control unit then generates control commands based on the frame angle and other information to maneuver the UAV toward the target and complete a precision strike.
I. Photos of the actual product

Figure 1 Product Image
II. Product Functions
a) It has the ability to perform a power-on self-test and send the self-test results to the intelligent control unit:
b) Possesses the ability to autonomously identify, lock onto, and track designated targets;
c) Possesses the ability to identify, lock onto, and track specific parts of a target;
d) It has two modes: ground tracking and normal tracking;
e) It has the ability to output its own frame angle, line-of-sight angular rate and laser ranging information;
f) Possesses the ability to output the target s offset angle information relative to the camera s optical axis:
g) It has the ability to mark multiple individual targets within the field of view and output their corresponding numbers and coordinates (when laser ranging is invalid, it provides angle information);
h) It has the ability to compress and output images.
III. Mounting Platform
Loitering munitions, etc.
IV. Main Technical Parameters
| model | IS118TA |
| Infrared thermal imager | |
| Detector type | Uncooled focal plane detector |
| Operating band | 8 m 14 m |
| Detector resolution | 640 512 |
| Pixel size | 12 m |
| Lens focal length | 16mm f1.0 |
| Field of view | 26.3 21 |
| Pseudo-color | 8 |
| Numbers multiplied | 4 |
| Noise equivalent temperature difference | NETD 50mK |
| Minimum distinguishable temperature difference | MRTD 500mK |
| Visible light | |
| resolution | 1920*1080 |
| Response band | 0.4 m0.8 m |
| Pixel size | 3.75 m |
| focal length | 16mm |
| Field of view | 21 12 |
| Laser rangefinder | |
| wavelength | 905nm eye safety |
| Maximum ranging distance | 180m |
| Minimum ranging distance | 15cm |
| Distance measurement accuracy | 5cm |
| Ranging frequency | 1-100Hz adjustable |
| Servo Platform | |
| Yaw angle | -30 +30 |
| Pitch angle | -30 +90 |
| Frame corner accuracy | 0.2 |
| Maximum search angular velocity | 20 /s |
| Maximum tracking angular velocity | 10 /s |
| Tracking angular velocity accuracy | Angular velocity not greater than 3 /s; error not greater than 0.3 /s;Angular velocity greater than 3 /s: error not greater than 10%; |
| Offset angle signal accuracy | 0.1 |
| Isolation | Not more than 3% (2Hz, 3 ); |
| Earth tracking stability | In ground tracking mode, the optical axis swing frequency is no greater than 0.5Hz, and the angle between it and the vertical line to the ground is no greater than 20 . |
| Target recognition probability | 90% |
| Maximum turning speed | 30 /s |
| Maximum turning acceleration | 100 /s2 |
| System parameters | |
| Power-on preparation time | 15S (Self-test complete) |
| Power supply voltage | 28 4V |
| power | 24w |
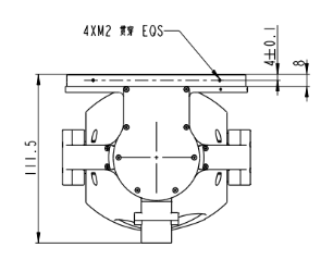
| weight | 650g |
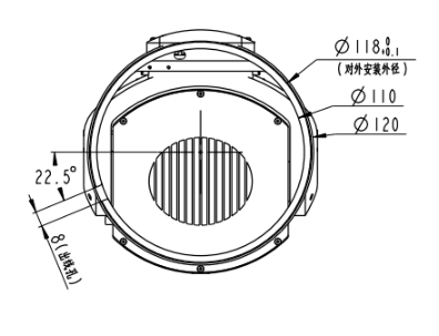
| volume | 118mm 135mm |
| interface | |
| Control Interface | RS422 |
| Video interface | Ethernet |
| Storage interface | 128G memory card (Mini SD card) |
| Image storage format | JPG format |
| Video storage format | AVI format |
| Environmental adaptability | |
| Operating temperature | -40+60 |
| Storage temperature | -40+60 |
| Vibration conditions | The acceleration is 2g; 30 minutes each in the vertical, horizontal and longitudinal directions. |
| Impact conditions | Peak acceleration 20g, duration 11ms |
| Protection level | Can fly in light to moderate rain |
V. Mechanical Dimensions and Installation Interfaces


Figure 2 Product mechanical dimensions diagram

Figure 3 Product installation interface diagram
| Stabilization | 2-Axis |
|---|---|
| Weight | Ultra-Light (≤ 1 kg) |
| Key Features | Laser Rangefinder (LRF) |
| Sensor Configuration | Multi-Sensor (EO+IR+LRF) |






